海智焊接機器人HZH1510-6是一款中空型六軸焊接工業機器人。
該產品專用於自行車配件、電動車配件、家具配件、汽車零配件、汽車座椅、運動器械、醫療器械、五金機電等五金製造領域的焊接。海智焊接機器人(六軸焊接機械手臂)滿足:二氧化碳焊、點焊、氬弧焊、氣體保護電弧焊、鎢極氬弧焊、等離子電弧焊、氣體保護焊、熔化極氣體保護電弧焊、TIG焊、MAG焊等。
產品參數:
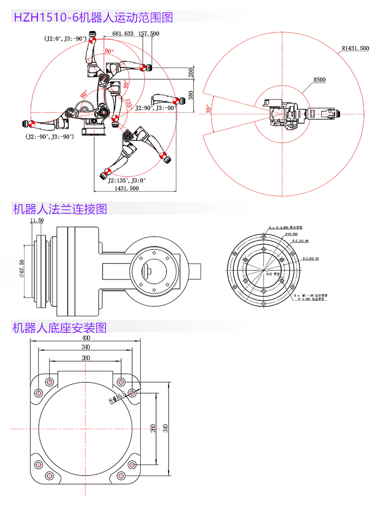
運動範圍圖:

海智焊接專用機器人HZH1510-6機型特點:
一、輕量結構
HZH1510-6機型采用輕型設計,輕盈的手臂,工業機器人設計合理穩重、可靠、機械結構緊湊,耗電少。
二、性能穩定
具備很高的精確度,性能穩定可靠,可以滿足焊接的柔性化生產,可以長期操作運行。
三、安裝便捷
設計緊湊 一般固定安裝即可。
四、焊接機型
適用於氣體保護焊、脈衝氣體保護焊、氬弧焊、等離子焊、TIG焊、PTA焊、等離子(激光焊)可解決加工方式:平焊、橫焊、拚焊、立焊、縱縫焊、圓弧焊、相貫線焊、多曲麵焊、平麵焊接等各類焊接應用。
五、編程簡易
操作簡單 ,點對點示教編程,全中文操作界麵讓您編輯程序更簡單便捷。
海智焊接專用機器人HZH1510-6焊接應用案例:


